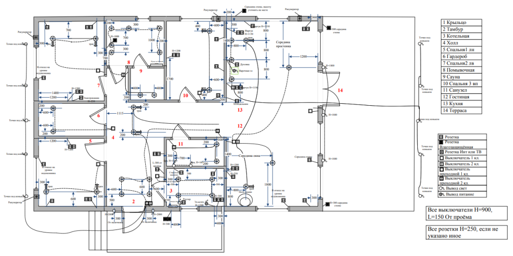
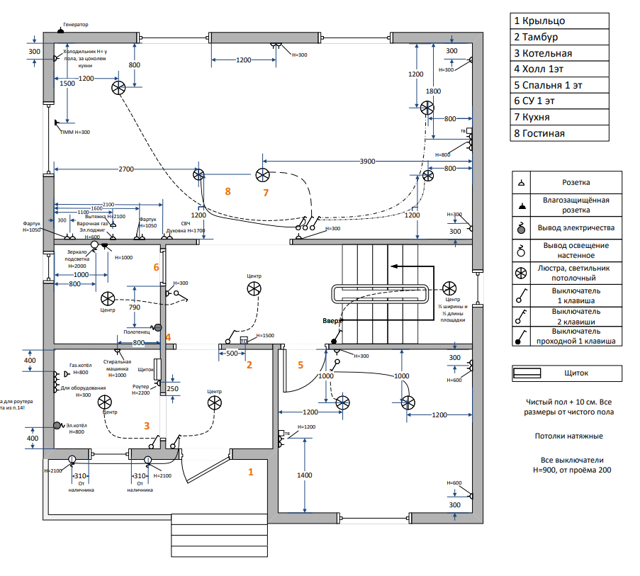
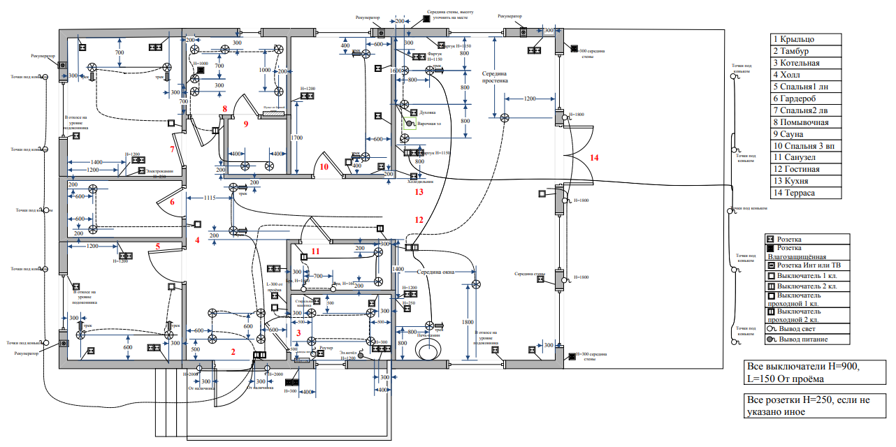
Какие планы мы рисуем для своих заказчиков, чтобы им было легче ориентироваться в расстановке электрооборудования
Когда Вы начинаете строить дом или делать ремонт в квартире, то непременно встанет такой вопрос: «А где же будут располагаться розетки, выключатели, светильники и прочая техника?». Вот с таким вопросом к нам приходят многие заказчики и мы с радостью берем этот вопрос в свои руки! Наш редактор по дизайн-проектам проведет с вами не один час или день чтобы получить готовый согласованный план перед выходом на объект наших электриков. Постараемся не упустить даже малейшие детали, подскажем что куда можно передвинуть или переставить, дополним, если Вы забыли указать вывод освещения или розетку.
Работы по составлению рабочего монтажного плана уже включены в стоимость договора. Так же включены правки и исправления до 3 раз.


